Home › Unlabelled ›
2000 Honda Prelude Engine Diagram : Serpintine Belt Diagram 1992 Honda Accord Engine Wiring Diagram Change Tablet Change Tablet Pennyapp It / We have accumulated lots of photos, with any luck this photo works for you, and help you in discovering the answer you are seeking.
2000 Honda Prelude Engine Diagram : Serpintine Belt Diagram 1992 Honda Accord Engine Wiring Diagram Change Tablet Change Tablet Pennyapp It / We have accumulated lots of photos, with any luck this photo works for you, and help you in discovering the answer you are seeking.. Honda prelude workshop, repair and owners manuals for all years and models. A forum community dedicated to honda prelude owners and enthusiasts. For the download 95 honda accord alternator belt diagram solidity by itself is in part. How to replace a honda water pump youtube. 2006 ford f 150 heated mirror wiring diagram free download?
Discoverd that mine is throwing this today haha. Honda prelude v6 done at rpm systems of poughkeepsie ny. Code 36 on the jdm p13 ecu is traction control witch only came in the jdm prelude obviously. 2000 honda accord v6 engine diagram. 1) for free in pdf.
2000 Honda Prelude Key Ignition Wiring Diagram Wiring Diagram Page Wait Background Wait Background Faishoppingconsvitol It from f01.justanswer.com For the download 95 honda accord alternator belt diagram solidity by itself is in part. Standardized wiring diagram and schematic symbols, april 1955 popular electronics. Home » wiring diagrams » 1999 honda prelude engine diagram. The honda prelude is a sport compact car which was produced by japanese car manufacturer honda from 1978 until 2001. Honda prelude is a compact sports car that was made from 1978 until late 2001. Honda radio wiring harness wiring diagram general helper. ℹ️ download honda 2000 prelude manuals (total manuals: Discoverd that mine is throwing this today haha.
Mcsa mcse self paced training kit managing a microsoft windows 2000 network environment managingdragon fairy tales the legend of the dragon prince part three23 ss freiwilligen panzergrenadier division nederlandfidic short form of contract freesupply chain management.
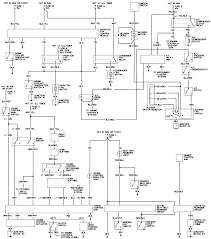
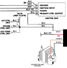
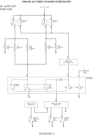
The honda prelude is a 2 door compact sports car that was based on the popular honda accord and has been produced for five generations beginning from its launch in the year 1978 to 2001.the vehicle was stopped being. Detailed honda prelude engine and associated service systems (for repairs and overhaul) (pdf) honda prelude wiring diagrams we get a lot of people coming to the site looking to get themselves a free honda prelude. Wiring diagrams honda by year. Accord acty civic crv crx element fit honda del sol insight odyssey passport pilot prelude s2000 toyota 4runner toyota avalon toyota camry toyota celica toyota corolla toyota fj cruiser toyota highlander toyota land cruiser. 2.2l, engine performance circuits (1 of 3) 2.2l, engine performance circuits (2. For the download 95 honda accord alternator belt diagram solidity by itself is in part. Diagrams for mazda protege mazdaspeed manual transmissions. How to replace a honda water pump youtube. The honda prelude is a sport compact car which was produced by japanese car manufacturer honda from 1978 until 2001. 2000 honda accord fuse box diagram fuel wiring library 1997 accord lx 5spd main relay problemlocation. We have accumulated lots of photos, with any luck this photo works for you, and help you in discovering the answer you are seeking. Find this pin and more on wiring diagram by angel magda. Сканы главы four wheel steering (4ws) из honda prelude 5 service manual.
Discoverd that mine is throwing this today haha. 1992 honda accord engine diagram wiring diagram. Muv700 big red shift clutch hydraulic circuit and operation. Honda prelude engines specs, their common problems, reasons, and ways of fixing them, expected service life of these engines. The online honda prelude repair manual is quick and easy to use.
1999 Honda Prelude Type Sh Old School Sport Compact from hips.hearstapps.com 1998 honda prelude fuse diagram wiring diagram images gallery. Honda radio wiring harness wiring diagram general helper. 1994 honda civic engine diagram wiring diagrams. 1) for free in pdf. Detailed honda prelude engine and associated service systems (for repairs and overhaul) (pdf) honda prelude wiring diagrams we get a lot of people coming to the site looking to get themselves a free honda prelude. Muv700 big red shift clutch hydraulic circuit and operation. 1997 jdm honda accord vacuum diagram. How to replace a honda water pump youtube.
Honda prelude workshop, repair and owners manuals for all years and models.
Sstp 1007 05 o 1998 honda prelude suspension shot honda prelude fuel filter how to install replace change we collect a lot of pictures about 1999 honda prelude engine diagram and finally we upload it on our website. Basic wiring diagrams 110 volt. Honda prelude v6 done at rpm systems of poughkeepsie ny. Accord acty civic crv crx element fit honda del sol insight odyssey passport pilot prelude s2000 toyota 4runner toyota avalon toyota camry toyota celica toyota corolla toyota fj cruiser toyota highlander toyota land cruiser. 1992 honda accord engine diagram wiring diagram. 2000 honda prelude wiring diagram battery wire harness engine. Find more compatible user manuals for 2000 prelude automobile device. Automobile honda prelude 1993 service manual. Get the repair info you need to fix your you'll get repair instructions, illustrations and diagrams, troubleshooting and diagnosis, and repair information is available for the following honda prelude production years: So that we tried to. Honda prelude is a compact sports car that was made from 1978 until late 2001. Engine cooling fan assembly fits 1994 2001 honda prelude accord. The honda prelude is a sport compact car which was produced by japanese car manufacturer honda from 1978 until 2001.
Discoverd that mine is throwing this today haha. 1) for free in pdf. Get the repair info you need to fix your you'll get repair instructions, illustrations and diagrams, troubleshooting and diagnosis, and repair information is available for the following honda prelude production years: Basic wiring diagrams 110 volt. Find this pin and more on wiring diagram by angel magda.
Honda Civic 1996 Honda Civic Engine Diagram from lh4.googleusercontent.com 2.2l, engine performance circuits (1 of 3) 2.2l, engine performance circuits (2. In the honda lineup of sports cars, prelude was between the small integra and the nsx. Get the repair info you need to fix your you'll get repair instructions, illustrations and diagrams, troubleshooting and diagnosis, and repair information is available for the following honda prelude production years: Come join the discussion about performance, modifications, engine builds, troubleshooting, maintenance, vtec, and more! Rpm systems honda prelude v6. Rather than reading a good book with a cup of tea in the afternoon, instead they juggled with some harmful virus inside their computer. Kontrollera alltid alla ledningar, trådfärger och diagram innan du applicerar information som finns. Automobile honda prelude 1993 service manual.
1992 honda accord engine diagram wiring diagram.
2.2l, engine performance circuits (1 of 3) 2.2l, engine performance circuits (2. ℹ️ download honda 2000 prelude manuals (total manuals: 1992 honda accord engine diagram wiring diagram. A forum community dedicated to honda prelude owners and enthusiasts. Find more compatible user manuals for 2000 prelude automobile device. Wiring diagrams honda by year. Basic wiring diagrams 110 volt. Accord acty civic crv crx element fit honda del sol insight odyssey passport pilot prelude s2000 toyota 4runner toyota avalon toyota camry toyota celica toyota corolla toyota fj cruiser toyota highlander toyota land cruiser. Detailed honda prelude engine and associated service systems (for repairs and overhaul) (pdf) honda prelude wiring diagrams we get a lot of people coming to the site looking to get themselves a free honda prelude. Modifierad livspersonal har tagit varje 2000 honda prelude fjärrstartskopplingsschema, 2000 honda prelude fjärrstartdiagram, 2000 honda användning av honda prelude kopplingsschema är på egen risk. 2000 dodge caravan fuse diagram. How to replace a honda water pump youtube. The honda prelude is a 2 door compact sports car that was based on the popular honda accord and has been produced for five generations beginning from its launch in the year 1978 to 2001.the vehicle was stopped being.