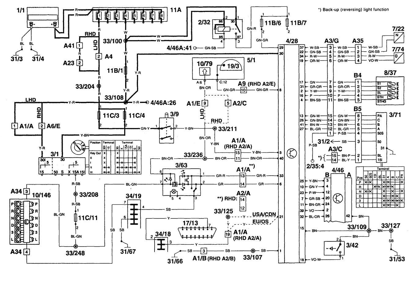
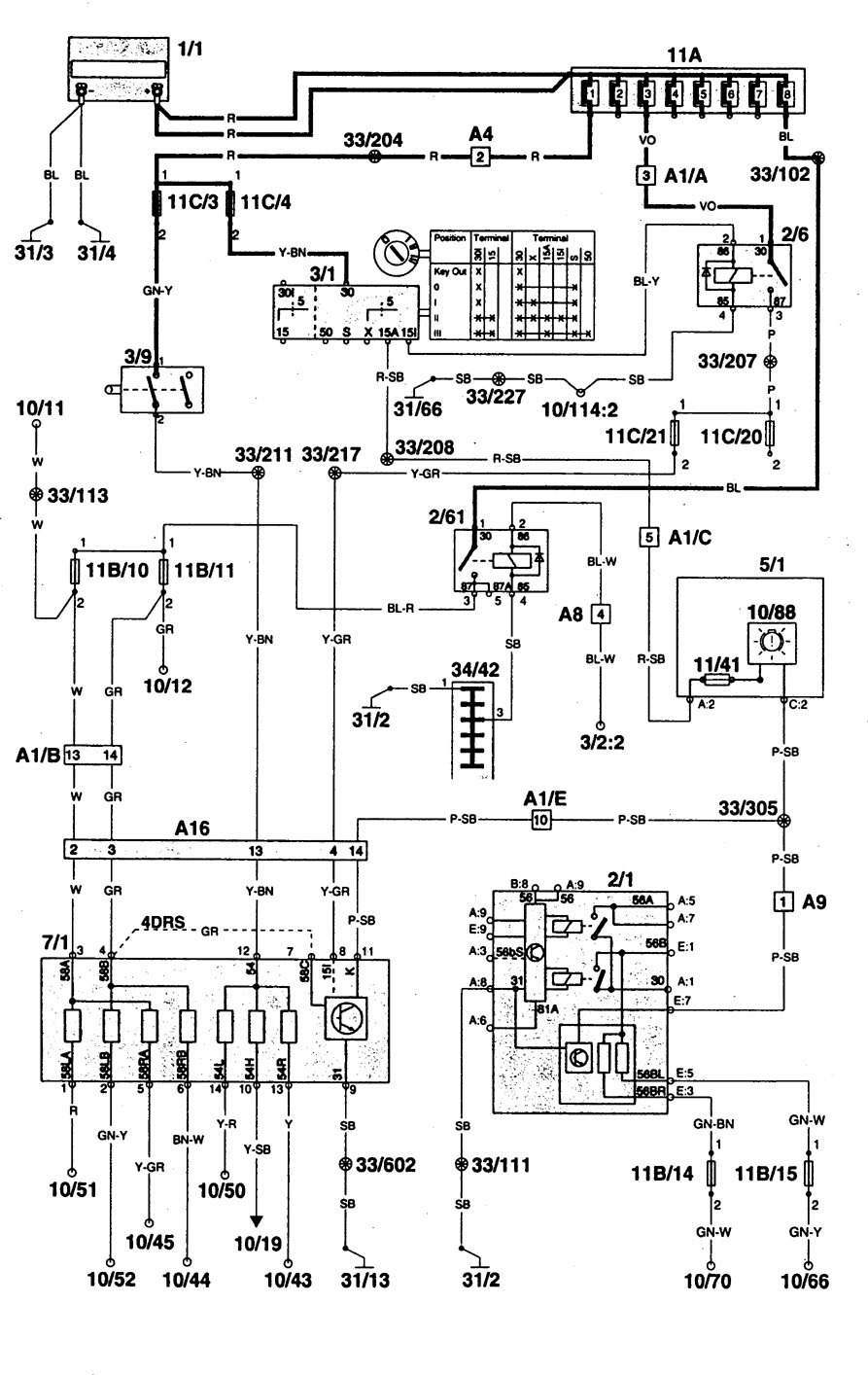
S90 Volvo 1998 Ignition Switch Wiring Diagram - 1999 Volvo V70 Ignition Wiring Diagram Wiring Diagram Standard View Standard View Vaiatempo It / 16 controls for electrically operated windows.. Xc90 automobile pdf manual download. Volvo s90 replacement ignition switch information. Motronic multiport fuel injection system ( mfi ) ( b6304f/g ). The diagram i have found on the internet seems to have different colored wiring coming from it. On this page you can free download workshop repair manuals pdf for volvo trucks, and also fault codes pdf and wiring diagrams.

The program volvo ewd (electronic wiring diagram) contains the electrical circuits for automobiles volvo current models from 2004 to 2010 year. Volvo truck workshop manual free download pdf. Торговля запчастями volvo более 20 лет собственый техцентр по ремонту volvo огромный выбор новых и бу запчастей вольво в москве If you want to restore the original performance of your vehicle's ignition system, this product is what you need. This means that when you switch off the ignition, pg.

Ignition Switch Replacement Electrical Problems Volvo 960 V90 S90 Auto Repair Series Youtube
Ignition Switch Replacement Electrical Problems Volvo 960 V90 S90 Auto Repair Series Youtube from i.ytimg.com
Volvo truck fault codes pdf; Improve your 1998 volvo s70 engine ignition timing with replacement ignition control modules & swithches available at carid. View and download volvo xc90 wiring diagram online. Схемы электрооборудования volvo xc90 с 2002 (бензин 2,5, 2,9, 3,2, 4,4 л / дизель 2,4). Ensure ignition key can be installed and removed from ignition switch with ease. Xc90 automobile pdf manual download. Volvotips has the exclusive courtesy of volvo car corporation and volvo. The content and links of this page were removed at the request of the volvo car corporation i need a wiring diagram for a 1998 volvo v70 r to the stereo please.

On this page you can free download workshop repair manuals pdf for volvo trucks, and also fault codes pdf and wiring diagrams.

Rheostat 3/3 high and low beam switch 3/4 cruise control operation 3/6 hazard warning flasher switch 3/7 foglight switch 3/8. Motronic multiport fuel injection system ( mfi ) ( b6304f/g ). Схемы электрооборудования volvo xc90 с 2002 (бензин 2,5, 2,9, 3,2, 4,4 л / дизель 2,4). This means that when you switch off the ignition, pg. Volvo s70 1998, ignition control module by prenco®. With ignition key in ignition switch, place shift lever into p position. Volvo fh12 fh16 rhd wiring diagramc wiring diagram.pdf. If you want to restore the original performance of your vehicle's ignition system, this product is what you need. In the given manual are included the complete electrocircuits, locations of the relay and fuses, pin assignments for all sockets, circuit of an locations. The content and links of this page were removed at the request of the volvo car corporation i need a wiring diagram for a 1998 volvo v70 r to the stereo please. Volvo workshop & service manuals, fault codes and wiring diagrams pdf. Volvo s90 replacement ignition switch information. Торговля запчастями volvo более 20 лет собственый техцентр по ремонту volvo огромный выбор новых и бу запчастей вольво в москве

Motronic multiport fuel injection system ( mfi ) ( b6304f/g ). Volvo trucks mid fault codes. View and download volvo xc90 wiring diagram online. Rheostat 3/3 high and low beam switch 3/4 cruise control operation 3/6 hazard warning flasher switch 3/7 foglight switch 3/8. With ignition key in ignition switch, place shift lever into p position.

1986 Chevrolet Ignition Wiring Diagram Wiring Diagram Power Hard Power Hard Teglieromane It
1986 Chevrolet Ignition Wiring Diagram Wiring Diagram Power Hard Power Hard Teglieromane It from wiringall.com
Rheostat 3/3 high and low beam switch 3/4 cruise control operation 3/6 hazard warning flasher switch 3/7 foglight switch 3/8. Power window switch, right rear. The content and links of this page were removed at the request of the volvo car corporation i need a wiring diagram for a 1998 volvo v70 r to the stereo please. The program volvo ewd (electronic wiring diagram) contains the electrical circuits for automobiles volvo current models from 2004 to 2010 year. Distributor ignition ( di ) system ez116k ( b230ft ). Fuses in the main fuse box (a) protect the entire electrical supply system. Ensure ignition key can be installed and removed from ignition switch with ease. Volvo s90 replacement ignition switch information.

They are available for the following volvo s90 years:

On this page you can free download workshop repair manuals pdf for volvo trucks, and also fault codes pdf and wiring diagrams. They are available for the following volvo s90 years: Power window switch, right rear. This part is also sometimes called volvo s90 electronic ignition switch. The content and links of this page were removed at the request of the volvo car corporation i need a wiring diagram for a 1998 volvo v70 r to the stereo please. Volvo fh12 fh16 rhd wiring diagramc wiring diagram.pdf. If you want to restore the original performance of your vehicle's ignition system, this product is what you need. Distributor ignition ( di ) system ez116k ( b230ft ). Ensure ignition key can be installed and removed from ignition switch with ease. The diagram i have found on the internet seems to have different colored wiring coming from it. This means that when you switch off the ignition, pg. In the given manual are included the complete electrocircuits, locations of the relay and fuses, pin assignments for all sockets, circuit of an locations. View and download volvo xc90 wiring diagram online.

Power window switch, right rear. The program volvo ewd (electronic wiring diagram) contains the electrical circuits for automobiles volvo current models from 2004 to 2010 year. Volvo truck workshop manual free download pdf. Volvo s70 1998, ignition control module by prenco®. Volvo workshop & service manuals, fault codes and wiring diagrams pdf.

Gm Ignition Wiring Diagram Wiring Diagram Subject Action Subject Action Teglieromane It
Gm Ignition Wiring Diagram Wiring Diagram Subject Action Subject Action Teglieromane It from lh5.googleusercontent.com
Volvo truck fault codes pdf; The content and links of this page were removed at the request of the volvo car corporation i need a wiring diagram for a 1998 volvo v70 r to the stereo please. Search our online ignition switch catalog and find the lowest priced discount auto parts on the web. Xc90 automobile pdf manual download. In the given manual are included the complete electrocircuits, locations of the relay and fuses, pin assignments for all sockets, circuit of an locations. If you want to restore the original performance of your vehicle's ignition system, this product is what you need. 1995 volvo 850 starter bosch wiring diagram. Volvotips has the exclusive courtesy of volvo car corporation and volvo.

View and download volvo xc90 wiring diagram online.

If you want to restore the original performance of your vehicle's ignition system, this product is what you need. Xc90 automobile pdf manual download. Торговля запчастями volvo более 20 лет собственый техцентр по ремонту volvo огромный выбор новых и бу запчастей вольво в москве The diagram i have found on the internet seems to have different colored wiring coming from it. Distributor ignition ( di ) system ez116k ( b230ft ). Rheostat 3/3 high and low beam switch 3/4 cruise control operation 3/6 hazard warning flasher switch 3/7 foglight switch 3/8. Схемы электрооборудования volvo xc90 с 2002 (бензин 2,5, 2,9, 3,2, 4,4 л / дизель 2,4). This means that when you switch off the ignition, pg. Volvo trucks mid fault codes. With ignition key in ignition switch, place shift lever into p position. On this page you can free download workshop repair manuals pdf for volvo trucks, and also fault codes pdf and wiring diagrams. 1995 volvo 850 starter bosch wiring diagram. Search our online ignition switch catalog and find the lowest priced discount auto parts on the web.

By